
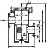
高低籃式過濾器是種筒體(ti)(ti)(ti)(ti)采用(yong)(yong)高(gao)進(jin)低(di)出(chu)結構(gou)設(she)計,在(zai)重力或(huo)壓差的(de)(de)作用(yong)(yong)下,以濾(lv)(lv)籃(lan)(lan)為過(guo)濾(lv)(lv)元件,除去石油(you)化工生產過(guo)程中液相及(ji)氣相物料所含的(de)(de)固體(ti)(ti)(ti)(ti)顆粒的(de)(de)法蘭連接(jie)高(gao)低(di)接(jie)管(guan)平底籃(lan)(lan)式過(guo)濾(lv)(lv)器。其直口網式濾(lv)(lv)籃(lan)(lan)置(zhi)(zhi)于(yu)筒體(ti)(ti)(ti)(ti)中,介質進(jin)出(chu)口接(jie)管(guan)焊(han)接(jie)在(zai)筒體(ti)(ti)(ti)(ti)的(de)(de)壁上,其中入口的(de)(de)位(wei)置(zhi)(zhi)高(gao)于(yu)籃(lan)(lan)口,而出(chu)口的(de)(de)位(wei)置(zhi)(zhi)則(ze)低(di)于(yu)籃(lan)(lan)口,待濾(lv)(lv)液由進(jin)液口進(jin)入筒體(ti)(ti)(ti)(ti)內(nei),經由濾(lv)(lv)網過(guo)濾(lv)(lv)變為澄(cheng)清液后從出(chu)液口輸出(chu),待濾(lv)(lv)液中的(de)(de)固體(ti)(ti)(ti)(ti)雜質則(ze)被阻擋在(zai)濾(lv)(lv)籃(lan)(lan)內(nei)。本產品具有規格(ge)齊(qi)全,過(guo)濾(lv)(lv)面(mian)積大,流體(ti)(ti)(ti)(ti)阻力小(xiao)等(deng)特點,特適用(yong)(yong)于(yu)固體(ti)(ti)(ti)(ti)雜質含量較(jiao)多,粘度較(jiao)大的(de)(de)介質,若將它安裝在(zai)泵、閥門、壓縮機的(de)(de)入口或(huo)流量計前的(de)(de)管(guan)道上及(ji)管(guan)線的(de)(de)有關(guan)部位(wei),既可以延長此類設(she)備或(huo)儀表的(de)(de)使用(yong)(yong)時間(jian),又能保(bao)證(zheng)整個系統正常穩(wen)定(ding)地運行。
| 序號 | 部件名稱 | 材料名稱 | ||||
| 1 | 筒 體 | 20# | 12Cr5Mo | 304 | 316 | 316L |
| 2 | 高低接管 | 20# | 12Cr5Mo | 304 | 316 | 316L |
| 3 | 隔 板 | Q235-B | 12Cr5Mo | 304 | 316 | 316L |
| 4 | 濾 籃 | 304 | 304 | 304 | 316 | 316L |
| 5 | 墊 片 | 聚四氟乙烯、金屬環形墊、金屬纏繞墊(帶內外環) | ||||
| 6 | 法 蘭 | A105 | 12Cr5Mo | 304 | 316 | 316L |
| 7 | 平 蓋 | Q235-B | 12Cr5Mo | 304 | 316 | 316L |
| 8 | 放空絲堵 | 304 | 304 | 304 | 316 | 316L |
| 9 | 排污螺塞 | 304 | 304 | 304 | 316 | 316L |
| 公稱壓力PN(MPa) | 1.6 | 2.5 | 4.0 | 2.0 | 5.0 |
| 殼體強度試驗壓力(MPa) | 2.4 | 3.75 | 6.0 | 3.0 | 7.5 |
| 氣密性試驗壓力(MPa) | 1.6 | 2.5 | 4.0 | 2.0 | 5.0 |
| 設計制造 | SH/T 3411-2017、HG/T 21637-2021、JB/T 7538-2016 | ||||
| 法蘭標準 | JB/T 81~82、GB/T 9115~9119、HG/T 20592~20615、SH/T 3406、ASME B16.5等 | ||||
| 檢驗驗收 | SH/T 3411-2017、HG/T 21637-2021、JB/T 7538-2016 | ||||
| 濾網精度 | 2目 ~ 600目 | ||||
| 公稱壓力 PN | 公稱直徑 DN | 結構尺寸/mm | ||||
| D1 | L | H1 | H2 | H3 | ||
| 16 | 25 | 89 | 220 | 110 | 70 | 280 |
| 32 | 89 | 220 | 110 | 70 | 285 | |
| 40 | 114 | 280 | 120 | 100 | 340 | |
| 50 | 114 | 280 | 120 | 100 | 340 | |
| 65 | 140 | 330 | 160 | 110 | 400 | |
| 80 | 168 | 340 | 180 | 140 | 460 | |
| 100 | 219 | 420 | 220 | 170 | 550 | |
| 150 | 273 | 500 | 310 | 220 | 720 | |
| 200 | 325 | 560 | 390 | 280 | 900 | |
| 250 | 426 | 660 | 480 | 320 | 1070 | |
| 300 | 478 | 750 | 640 | 400 | 1360 | |
| 表中未列出的其他規格參數,請咨詢汗越閥門技術部! | ||||||

