
加長型直流式T型過濾器是一種殼體由等徑三通、接管和帶頸對焊法蘭通過焊接工藝制作而成,用以除去液體及氣體物料中所的固體雜質的設備,其通常安裝在泵、壓縮機的入口或流量儀表前的管道上,以保護此類設備或儀表,起穩定工藝過程和保障生產的作用。該T型過濾器濾芯采用鋼(gang)板卷制且帶(dai)有(you)較(jiao)大方孔(kong)(kong)或(huo)圓孔(kong)(kong)的(de)筒型支(zhi)承架,內部覆以金屬絲(si)(si)編(bian)織網(wang)的(de)雙層網(wang)形(xing)式,以30目(mu)/英寸(cun)的(de)不銹(xiu)鋼(gang)絲(si)(si)網(wang)作為標準網(wang),可攔截≥614μm粒(li)徑的(de)固(gu)體顆粒(li),也(ye)可根據用戶工藝(yi)過程(cheng)的(de)需要定做(zuo)濾網(wang),目(mu)數在2目(mu)~600目(mu)之間(jian)。本產品焊縫平(ping)整,焊縫表面無裂紋、氣孔(kong)(kong)、夾(jia)渣及(ji)未焊縫等(deng)缺陷,其中用于制作殼體的(de)等(deng)徑三通的(de)支(zhi)管端進行了(le)加(jia)長,從(cong)而增大了(le)過濾面積,減少了(le)濾網(wang)清洗次(ci)數。
| 序號 | 部件名稱 | 材料名稱 | ||||
| 1 | 三 通 | 20# | Q345R | S30408 | S31608 | S31603 |
| 2 | 接 管 | 20# | Q345R | S30408 | S31608 | S31603 |
| 3 | 斜 度 板 | Q235-B | Q345R | S30408 | S31608 | S31603 |
| 4 | 法 蘭 | A105 | Q345R | S30408 | S31608 | S31603 |
| 5 | 密封墊片 | 聚四氟乙烯、金屬環形墊、金屬纏繞墊(帶內外環) | ||||
| 6 | 盲 板 | Q235-B | Q345R | S30408 | S31608 | S31603 |
| 7 | 排污絲堵 | 304 | 304 | 304 | 316 | 316L |
| 8 | 濾 筒 | 304 | 304 | 304 | 316 | 316L |
| 9 | 絲 網 | 304 | 304 | 304 | 316 | 316L |
| 公稱壓力PN(MPa) | 1.6 | 2.5 | 4.0 | 2.0 | 5.0 |
| 水壓強度試驗壓力(MPa) | 2.4 | 3.75 | 6.0 | 3.0 | 7.5 |
| 氣密性試驗壓力(MPa) | 1.6 | 2.5 | 4.0 | 2.0 | 5.0 |
| 設計制造 | GB/T 14382-2008 管道用三通過濾器 | ||||
| 對焊端部 | 符合GB/T 12459-2017或ASME B16.9-2018的規定 | ||||
| 檢驗試驗 | GB/T 14382-2008 管道用三通過濾器 | ||||
| 工作溫度 | -196℃ ~ 540℃ | ||||
| 濾網規格 | 12000μm ~ 20μm | ||||
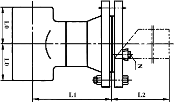
| 公稱壓力 Class | 公稱尺寸 NPS | 安裝尺寸/mm | 過濾面積 cm2 | 排污口N 管螺紋 | ||
| L0 | L1 | L2 | ||||
| 150 (PN20) | 2 | 64 | 235 | 260 | 126 | R ? |
| 2 ? | 76 | 265 | 295 | 153 | R ? | |
| 3 | 86 | 300 | 340 | 190 | R ? | |
| 4 | 105 | 355 | 405 | 290 | R ? | |
| 5 | 124 | 400 | 465 | 463 | R ? | |
| 6 | 143 | 455 | 530 | 606 | R ? | |
| 8 | 178 | 510 | 615 | 1209 | R ? | |
| 10 | 216 | 590 | 725 | 1698 | R ? | |
| 12 | 254 | 675 | 830 | 2517 | R ? | |
| 14 | 279 | 740 | 915 | 3135 | R ? | |
| 16 | 305 | 795 | 1005 | 3908 | R ? | |
| 表中未列出的其他規格參數,請咨詢汗越閥門技術部! | ||||||

上一條:基本型側流式T型過濾器
下一條:管道用三通過濾器
