
Y型三通球閥是一種閥體(ti)進管(guan)口與兩(liang)出(chu)管(guan)口之間被設計成135°的(de)(de)夾角,球體(ti)內(nei)設有兩(liang)端開口成135°角的(de)(de)連接通道(dao)(dao),進管(guan)口與出(chu)管(guan)口隨著球體(ti)的(de)(de)轉(zhuan)動實現(xian)與連接通道(dao)(dao)的(de)(de)導通或(huo)關閉,以達到對(dui)二(er)種不(bu)同(tong)流(liu)向(xiang)(xiang)切換的(de)(de)閥門(men),其(qi)流(liu)道(dao)(dao)平(ping)坦(tan),流(liu)體(ti)阻力(li)小,流(liu)通能(neng)力(li)強(qiang),切換時不(bu)會使介質滯(zhi)留在流(liu)道(dao)(dao)內(nei)部,便于(yu)(yu)三通管(guan)道(dao)(dao)的(de)(de)清理。本產(chan)品主(zhu)要用于(yu)(yu)Y型(xing)管(guan)路中(zhong)(zhong)改變介質流(liu)動方向(xiang)(xiang),使其(qi)中(zhong)(zhong)的(de)(de)兩(liang)條相互連通或(huo)切斷,起換向(xiang)(xiang)的(de)(de)作(zuo)用。
Y型(xing)三通(tong)球閥(fa)在閥(fa)體(ti)三個管(guan)口(kou)連(lian)接處設置有三個彎頭保護部,當介質從進口(kou)端沿彎頭管(guan)路通(tong)道高速流(liu)入時,其首先沖擊流(liu)進彎頭保護部內(nei),相比(bi)于(yu)直(zhi)接沖進管(guan)口(kou)內(nei)而言,減(jian)緩(huan)了(le)流(liu)體(ti)直(zhi)接沖擊在閥(fa)體(ti)內(nei)壁上(shang)的(de)流(liu)動(dong)速度,降低了(le)對(dui)顆粒狀物料造成的(de)損壞,進而也(ye)對(dui)閥(fa)體(ti)內(nei)壁起到保護的(de)作用(yong),有助于(yu)延長閥(fa)門的(de)使用(yong)時間。本產品(pin)也(ye)可根據輸送(song)管(guan)線需要,將(jiang)閥(fa)體(ti)設計成三管(guan)口(kou)互成120°角(jiao)或兩出口(kou)之間夾角(jiao)成60°或90°。
| 序號 | 部件名稱 | 材料名稱 | ||||
| 1 | 閥 體 | ASTM A216 WCB | ASTM A351 CF8 | ASTM A351 CF3 | ASTM A351 CF8M | ASTM A351 CF3M |
| 2 | 彎 頭 | ASTM A216 WCB | ASTM A351 CF8 | ASTM A351 CF3 | ASTM A351 CF8M | ASTM A351 CF3M |
| 3 | 閥 座 | R-PTFE、PTFE、TEFLON、NYLON、PPL、PEEK、DEVLON、SST+HF | ||||
| 4 | 球 桿 | ASTM A351 CF8 | ASTM A351 CF8 | ASTM A351 CF3 | ASTM A351 CF8M | ASTM A351 CF3M |
| 5 | 閥 蓋 | ASTM A216 WCB | ASTM A351 CF8 | ASTM A351 CF3 | ASTM A351 CF8M | ASTM A351 CF3M |
| 6 | 填 料 | GRAPHITE、R-PTFE、PTFE、TEFLON、PCTFE | ||||
| 7 | 填料壓蓋 | ASTM A216 WCB | ASTM A351 CF8 | ASTM A351 CF3 | ASTM A351 CF8M | ASTM A351 CF3M |
| 8 | 下 端 蓋 | ASTM A216 WCB | ASTM A351 CF8 | ASTM A351 CF3 | ASTM A351 CF8M | ASTM A351 CF3M |
| 公稱壓力Class | 150 | 300 | 600 | 900 | 1500 |
| 殼體試驗壓力(MPa) | 3.0 | 7.5 | 16.5 | 22.5 | 39.2 |
| 高壓液體密封試驗壓力(MPa) | 2.2 | 5.5 | 12.1 | 16.5 | 28.6 |
| 低壓氣體密封試驗壓力(MPa) | 0.4~0.7 | 0.4~0.7 | 0.4~0.7 | 0.4~0.7 | 0.4~0.7 |
| 設計制造 | GB/T 12237、GB/T 21385、API 608、ASME B16.34 | ||||
| 結構長度 | 按本廠標準Q/CB的規定或按訂貨合同要求 | ||||
| 連接法蘭 | JB/T 79、GB/T 9113、HG/T 20592、HG/T 20615、SH/T 3406、ASME B16.5等 | ||||
| 檢驗試驗 | GB/T 26480、JB/T 9092、API 598 | ||||
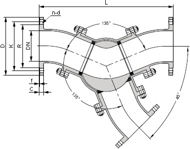
| 公稱壓力 Class | 公稱尺寸 NPS | 外形及連接尺寸/mm | |||||
| L | D | K | R | C-f | n-d | ||
| 150 (PN20) | 1 ? | 310 | 125 | 98.4 | 73.0 | 15.9-1.6 | 4-?16 |
| 2 | 340 | 150 | 120.7 | 92.1 | 17.5-1.6 | 4-?19 | |
| 2 ? | 400 | 180 | 139.7 | 104.8 | 20.7-1.6 | 4-?19 | |
| 3 | 410 | 190 | 152.4 | 127.0 | 22.3-1.6 | 4-?19 | |
| 4 | 460 | 230 | 190.5 | 157.2 | 22.3-1.6 | 8-?19 | |
| 5 | 560 | 255 | 215.9 | 185.7 | 22.3-1.6 | 8-?22.5 | |
| 6 | 660 | 280 | 241.3 | 215.9 | 23.9-1.6 | 8-?22.5 | |
| 8 | 800 | 345 | 298.5 | 269.9 | 27.0-1.6 | 8-?22.5 | |
| 10 | 1030 | 405 | 362.0 | 323.8 | 28.6-1.6 | 12-?25.5 | |
| 12 | 1140 | 485 | 431.8 | 381.0 | 30.2-1.6 | 12-?25.5 | |
| 14 | 1257 | 535 | 476.3 | 412.8 | 33.4-1.6 | 12-?28.5 | |
| 表中未列出的其他規格尺寸,請咨詢汗越閥門技術部! | |||||||

如果你需訂購我廠三通球閥系列產(chan)品,咨詢時煩請注明(ming)規格(ge)型號,或(huo)說(shuo)明(ming)公(gong)(gong)稱尺(chi)寸、公(gong)(gong)稱壓力、閥(fa)體和(he)內件(jian)材(cai)質(zhi)、使用介質(zhi)、工(gong)作(zuo)溫度(du)、分歧角度(du)(30°、45°、60°、90°、120°等)、法(fa)蘭(lan)標準及驅動(dong)方式等。本產(chan)品有軟密封和(he)硬密封兩種。
