
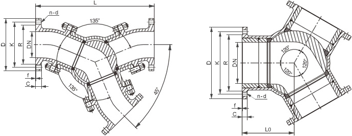
三通換向球閥由(you)L型(xing)、T型(xing)或(huo)Y型(xing)三(san)通(tong)球(qiu)(qiu)閥(fa)(fa)與(yu)驅動(dong)(dong)(dong)(dong)(dong)(dong)裝(zhuang)置組成(cheng)(cheng),適合安裝(zhuang)在(zai)(zai)氣力(li)輸(shu)(shu)送(song)系統中(zhong)用以(yi)(yi)切(qie)換(huan)管道中(zhong)粉(fen)體粉(fen)料(liao)(liao)、塑料(liao)(liao)顆粒、粉(fen)粒混合料(liao)(liao)和片狀料(liao)(liao)等(deng)介質流動(dong)(dong)(dong)(dong)(dong)(dong)方向(xiang),其三(san)個通(tong)道呈角(jiao)(jiao)度布置,一般以(yi)(yi)中(zhong)間端(duan)為(wei)(wei)入口(kou)(kou),左右兩端(duan)為(wei)(wei)出口(kou)(kou)。該(gai)閥(fa)(fa)通(tong)常(chang)采用氣缸(gang)為(wei)(wei)執行(xing)機構(gou),以(yi)(yi)壓縮(suo)空氣作(zuo)(zuo)為(wei)(wei)動(dong)(dong)(dong)(dong)(dong)(dong)力(li)源(yuan),并經電(dian)磁(ci)閥(fa)(fa)與(yu)限位開(kai)關(guan)(guan)(guan)配(pei)合使用來控制(zhi)(zhi)驅動(dong)(dong)(dong)(dong)(dong)(dong)裝(zhuang)置帶(dai)動(dong)(dong)(dong)(dong)(dong)(dong)球(qiu)(qiu)體在(zai)(zai)閥(fa)(fa)腔內作(zuo)(zuo)90°、180°或(huo)120°及135°角(jiao)(jiao)行(xing)程往復(fu)運動(dong)(dong)(dong)(dong)(dong)(dong),以(yi)(yi)實現自動(dong)(dong)(dong)(dong)(dong)(dong)換(huan)向(xiang)的(de)功能(neng),它通(tong)過電(dian)磁(ci)閥(fa)(fa)的(de)通(tong)電(dian)或(huo)斷電(dian)來切(qie)換(huan)輸(shu)(shu)入到(dao)氣缸(gang)的(de)氣源(yuan)進氣點(dian)進而(er)(er)控制(zhi)(zhi)氣動(dong)(dong)(dong)(dong)(dong)(dong)執行(xing)器的(de)轉(zhuan)(zhuan)動(dong)(dong)(dong)(dong)(dong)(dong)方向(xiang),而(er)(er)閥(fa)(fa)芯(xin)(xin)動(dong)(dong)(dong)(dong)(dong)(dong)作(zuo)(zuo)的(de)兩個位置則由(you)安裝(zhuang)在(zai)(zai)氣動(dong)(dong)(dong)(dong)(dong)(dong)執行(xing)器上面(mian)的(de)限位開(kai)關(guan)(guan)(guan)進行(xing)檢測,閥(fa)(fa)正(zheng)常(chang)工(gong)作(zuo)(zuo)時,閥(fa)(fa)芯(xin)(xin)轉(zhuan)(zhuan)到(dao)一個位置,右出料(liao)(liao)口(kou)(kou)關(guan)(guan)(guan)上,進料(liao)(liao)從(cong)(cong)左出料(liao)(liao)口(kou)(kou)出去(qu)(qu),當換(huan)向(xiang)指令發(fa)出后(hou),閥(fa)(fa)芯(xin)(xin)轉(zhuan)(zhuan)到(dao)另(ling)一個位置,關(guan)(guan)(guan)閉(bi)左出料(liao)(liao)口(kou)(kou),進料(liao)(liao)從(cong)(cong)右出料(liao)(liao)口(kou)(kou)出去(qu)(qu),從(cong)(cong)而(er)(er)使閥(fa)(fa)門的(de)流向(xiang)切(qie)換(huan)達(da)到(dao)了(le)自動(dong)(dong)(dong)(dong)(dong)(dong)化控制(zhi)(zhi)。本產品(pin)閥(fa)(fa)體和主要部件均為(wei)(wei)整體鑄造成(cheng)(cheng)型(xing),構(gou)造堅固,強度高不(bu)易變形(xing)(xing)(xing),尤其Y形(xing)(xing)(xing)流道結構(gou)形(xing)(xing)(xing)式(shi)設計,使物料(liao)(liao)通(tong)過時順暢,流阻(zu)力(li)小,不(bu)會(hui)形(xing)(xing)(xing)成(cheng)(cheng)堵塞(sai)。
| 序號 | 部件名稱 | 材料名稱 | ||||
| 1 | 閥 蓋 | WCB | CF8 | CF3 | CF8M | CF3M |
| 2 | 閥 體 | WCB | CF8 | CF3 | CF8M | CF3M |
| 3 | 閥 座 | R-PTFE、PTFE、TEFLON、NYLON、PPL、PEEK、DEVLON、不銹鋼+硬質合金 | ||||
| 4 | 球 體 | CF8 | CF8 | CF3 | CF8M | CF3M |
| 5 | 閥 桿 | CF8 | CF8 | CF3 | CF8M | CF3M |
| 6 | 填 料 | GRAPHITE、R-PTFE、PTFE、TEFLON、PCTFE | ||||
| 7 | 填料壓蓋 | WCB | CF8 | CF3 | CF8M | CF3M |
| 8 | 下 端 蓋 | WCB | CF8 | CF3 | CF8M | CF3M |
| 公稱壓力PN(MPa) | 0.6 | 1.0 | 1.6 | 2.5 | 2.0 |
| 殼體試驗壓力(MPa) | 0.9 | 1.5 | 2.4 | 3.75 | 3.0 |
| 高壓液體密封試驗壓力(MPa) | 0.66 | 1.1 | 1.76 | 2.75 | 2.2 |
| 低壓氣體密封試驗壓力(MPa) | 0.6 | 0.6 | 0.6 | 0.6 | 0.6 |
| 設計制造 | GB/T 12237、GB/T 21385、API 608、ASME B16.34 | ||||
| 結構長度 | 按本廠標準Q/CB的規定或按訂貨合同要求 | ||||
| 連接法蘭 | JB/T 79、GB/T 9113、HG/T 20592、HG/T 20615、SH/T 3406、ASME B16.5等 | ||||
| 檢驗試驗 | GB/T 26480、JB/T 9092、API 598 | ||||
| 公稱壓力 PN | 公稱通徑 DN | 外形及連接尺寸/mm | ||||||
| L | L0 | D | K | R | C-f | n-d | ||
| 16 | 40 | 310 | 110 | 150 | 110 | 88 | 18-2 | 4-?18 |
| 50 | 340 | 110 | 165 | 125 | 102 | 18-2 | 4-?18 | |
| 65 | 400 | 130 | 185 | 145 | 122 | 18-2 | 8-?18 | |
| 80 | 410 | 150 | 200 | 160 | 138 | 20-2 | 8-?18 | |
| 100 | 460 | 170 | 220 | 180 | 158 | 20-2 | 8-?18 | |
| 125 | 560 | 190 | 250 | 210 | 188 | 22-2 | 8-?18 | |
| 150 | 660 | 210 | 285 | 240 | 212 | 22-2 | 8-?22 | |
| 200 | 800 | 235 | 340 | 295 | 268 | 24-2 | 12-?22 | |
| 250 | 1030 | 290 | 405 | 355 | 320 | 26-2 | 12-?26 | |
| 300 | 1140 | 350 | 460 | 410 | 378 | 28-2 | 12-?26 | |
| 350 | 1257 | — | 520 | 470 | 428 | 30-2 | 16-?26 | |
| 表中未列出的其他規格尺寸,請咨詢汗越閥門技術部! | ||||||||

本產品可根據工況需要,將兩出口端之間的夾角設計成30°、45°、60°、90°、120°及其他角度等,可配置手柄、蝸輪蝸桿傳動、氣動、電動,液動等。如果你需訂購我廠三通球閥系列(lie)產品,請注明公稱尺(chi)寸(cun)、公稱壓力(li)、閥體和內件材料、流道角度、使用溫度、法蘭標(biao)準及密封(feng)面形式等(deng)。
