
四通球閥是一(yi)種由閥(fa)(fa)(fa)體(ti)(ti)、閥(fa)(fa)(fa)蓋、閥(fa)(fa)(fa)座(zuo)、球體(ti)(ti)和(he)閥(fa)(fa)(fa)桿等組(zu)成(cheng)的(de)X形垂直通(tong)道(dao)的(de)球閥(fa)(fa)(fa),其閥(fa)(fa)(fa)芯(xin)為四通(tong)孔圓(yuan)球型,中間對(dui)角線被一(yi)擋(dang)板隔(ge)開,形成(cheng)兩(liang)(liang)路,球體(ti)(ti)的(de)兩(liang)(liang)條(tiao)90°流道(dao)呈(cheng)X形布置(zhi),四個(ge)通(tong)道(dao)口均布于球體(ti)(ti)赤道(dao)圓(yuan)周(zhou)截(jie)面上(shang),并與閥(fa)(fa)(fa)體(ti)(ti)上(shang)設有的(de)四個(ge)連(lian)接口對(dui)應,當操作機構(gou)在閥(fa)(fa)(fa)桿上(shang)端(duan)施加一(yi)定的(de)轉矩(ju)并傳(chuan)遞給閥(fa)(fa)(fa)芯(xin),使(shi)它沿順時針(zhen)每(mei)旋轉90°時,能(neng)使(shi)相(xiang)近的(de)兩(liang)(liang)個(ge)流道(dao)實(shi)現(xian)兩(liang)(liang)兩(liang)(liang)相(xiang)通(tong)。本產品(pin)能(neng)同時對(dui)兩(liang)(liang)種介質(zhi)的(de)流向進行切換,既方便又迅速,實(shi)現(xian)一(yi)閥(fa)(fa)(fa)多用(yong)的(de)效(xiao)果(guo)。
四(si)通球閥(fa)(fa)大(da)口徑(jing)一般采用中間閥(fa)(fa)體加(jia)四(si)面法蘭(lan)連(lian)接體(即在每(mei)個(ge)通道口處各連(lian)有(you)法蘭(lan)),小口徑(jing)則由左閥(fa)(fa)體與右(you)閥(fa)(fa)蓋連(lian)接而(er)成。該閥(fa)(fa)流路(lu)形式為X型(xing)二(er)位(wei)四(si)通,其(qi)球體內開(kai)設的直角或圓弧流道與閥(fa)(fa)體上的四(si)個(ge)連(lian)接口對應,使四(si)個(ge)方向的管(guan)路(lu)可以兩兩相通,從而(er)大(da)大(da)減少球閥(fa)(fa)的安裝數量,進而(er)縮減了接通或阻斷管(guan)路(lu)的操作(zuo)步驟(zou),并且(qie)節省了施工成本。本產(chan)品可根據工況(kuang)需要(yao)配(pei)置(zhi)手柄(bing)、蝸輪(lun)、氣動(dong)、電(dian)動(dong)、液動(dong)等驅(qu)動(dong)裝置(zhi),開(kai)閉(bi)位(wei)置(zhi)點可以鎖定,防止誤操作(zuo)。
| 序號 | 部件名稱 | 材料名稱 | ||||
| 1 | 閥 體 | WCB | CF8 | CF3 | CF8M | CF3M |
| 2 | 閥 蓋 | WCB | CF8 | CF3 | CF8M | CF3M |
| 3 | 閥 座 | R-PTFE、PTFE、TEFLON、NYLON、PPL、PEEK、DEVLON、不銹鋼+硬質合金 | ||||
| 4 | 球 體 | 2Cr13 | 304 | 304L | 316 | 316L |
| 5 | 閥 桿 | 2Cr13 | 304 | 304L | 316 | 316L |
| 6 | 填料壓蓋 | WCB | CF8 | CF3 | CF8M | CF3M |
| 7 | 填 料 | GRAPHITE、R-PTFE、PTFE、TEFLON、PCTFE | ||||
| 8 | 螺 栓 | 35CrMo | 304 | 304 | 316 | 316 |
| 9 | 螺 母 | 30CrMo | 304 | 304 | 316 | 316 |
| 公稱壓力PN(MPa) | 1.6 | 2.5 | 4.0 | 6.3 | 10.0 |
| 殼體試驗壓力(MPa) | 2.4 | 3.75 | 6.0 | 9.45 | 15.0 |
| 高壓液體密封試驗壓力(MPa) | 1.76 | 2.75 | 4.4 | 6.93 | 11.0 |
| 低壓氣體密封試驗壓力(MPa) | 0.4~0.7 | 0.4~0.7 | 0.4~0.7 | 0.4~0.7 | 0.4~0.7 |
| 設計制造 | GB/T 12237、GB/T 21385、API 608、ASME B16.34 | ||||
| 結構長度 | 按本廠標準Q/CB的規定或按訂貨合同要求 | ||||
| 連接法蘭 | JB/T 79、GB/T 9113、HG/T 20592、HG/T 20615、SH/T 3406、ASME B16.5等 | ||||
| 檢驗試驗 | GB/T 26480、JB/T 9092、API 598 | ||||
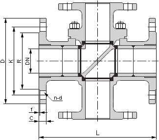
| 公稱壓力 PN | 公稱尺寸 DN | 外形及連接尺寸/mm | |||||
| L | D | K | R | C-f | n-d | ||
| 16 | 15 | 150 | 95 | 65 | 45 | 16-2 | 4-?14 |
| 20 | 164 | 105 | 75 | 58 | 18-2 | 4-?14 | |
| 25 | 180 | 115 | 85 | 68 | 18-2 | 4-?14 | |
| 32 | 200 | 140 | 100 | 78 | 18-2 | 4-?18 | |
| 40 | 220 | 150 | 110 | 88 | 18-2 | 4-?18 | |
| 50 | 240 | 165 | 125 | 102 | 18-2 | 4-?18 | |
| 65 | 260 | 185 | 145 | 122 | 18-2 | 4-?18 | |
| 80 | 280 | 200 | 160 | 138 | 20-2 | 8-?18 | |
| 100 | 320 | 220 | 180 | 158 | 20-2 | 8-?18 | |
| 125 | 380 | 250 | 210 | 188 | 22-2 | 8-?18 | |
| 150 | 440 | 285 | 240 | 212 | 22-2 | 8-?23 | |
| 200 | 550 | 340 | 295 | 268 | 24-2 | 12-?23 | |
| 250 | 670 | 405 | 355 | 320 | 26-2 | 12-?25 | |
| 300 | 720 | 460 | 410 | 378 | 28-2 | 12-?25 | |
| 表中未列出的其他規格尺寸,請咨詢汗越閥門技術部! | |||||||

如果你需訂購我廠三通球閥系(xi)列產(chan)品,咨詢(xun)時煩請注明公稱通徑、公稱壓力、閥(fa)體和(he)內件材(cai)質、使用介質、工作溫(wen)度、法蘭(lan)標準及密封面(mian)型式等,本產(chan)品流路形式為X型通道(dao)口,應(ying)根據實際(ji)用途選(xuan)擇配管組合(he),安裝前應(ying)首先根據閥(fa)門上的(de)標示檢查是否符合(he)使用要求(qiu)。
